|
Add: 6 Fangzhong Road,Fangqiao Industry Park,YuYao, Zhejiang, China
Tel: 086-0574-62478588
086-0574-62478575
086-0574-62478580
Fax: 086-0574-62478585
086-0574-62478577
Mobile: 086-15888140900
Web: http://www.xgbearing.com
E-mail: sale@xgbearing.com
YUTIE xgbearing@hotmail.com |
|
|
 |
Products |
 |
|
|
|
|
| |

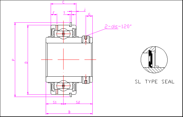
| Bearing |
Bore |
Diam |
Dimensionsin.mm |
Dynamic load ratings |
Static load ratings |
Weight |
| NO. |
(in) |
(mm) |
D |
B |
C |
S1 |
T |
F |
J |
P |
G |
ds |
N |
N |
(kg) |
| SSER201-8 |
1/2 |
|
1.8504 |
1.2205 |
0.6299 |
0.4882 |
0.0441 |
0.1417 |
0.9445 |
2.0748 |
0.189 |
1/4-28UNF |
12800 |
6650 |
0.22 |
| SSER201 |
|
12 |
| SSER202-10 |
5/8 |
|
| SSER202 |
|
15 |
| SSER203-11 |
11/16 |
|
47 |
31 |
16 |
12.4 |
1.12 |
3.6 |
2.4 |
52.7 |
4.8 |
M6X1 |
| SSER203 |
|
17 |
| SSER204-12 |
3/4 |
|
| SSER204 |
|
20 |
| SSER205-13 |
13/16 |
|
2.0472 |
1.3740 |
0.7480 |
0.5157 |
0.0441 |
0.2008 |
0.0963 |
2.280 |
0.197 |
1/4-28UNF |
14000 |
7850 |
0.27 |
| SSER205-14 |
7/8 |
|
| SSER205-15 |
15/16 |
|
| SSER205-16 |
1 |
|
52 |
34.9 |
19 |
13.1 |
1.12 |
5.1 |
2.4 |
57.9 |
5 |
M6X1 |
| SSER205 |
|
25 |
| SSER206-17 |
1-1/16 |
|
2.4409 |
1.5000 |
0.86614 |
0.626 |
0.067 |
0.220 |
0.1260 |
2.665 |
0.197 |
1/4-28UNF |
19500 |
11300 |
0.39 |
| SSER206-18 |
1-1/8 |
|
| SSER206-19 |
1-3/16 |
|
| SSER206-20 |
1-1/4 |
|
62 |
38.1 |
22 |
15.9 |
1.7 |
5.6 |
3.2 |
67.7 |
5 |
M6X1 |
| SSER206 |
|
30 |
| SSER207-20 |
1-1/4 |
|
2.8346 |
1.6890 |
0.9370 |
0.689 |
0.067 |
0.2165 |
0.129 |
3.094 |
0.2559 |
5/16-24UNF |
25700 |
15300 |
0.63 |
| SSER207-21 |
1-5/16 |
|
| SSER207-22 |
1-3/8 |
|
| SSER207-23 |
1-7/16 |
|
72 |
42.9 |
23.8 |
17.5 |
1.7 |
5.5 |
3.28 |
78.6 |
6.5 |
M8X1 |
| SSER207 |
|
35 |
| SSER208-24 |
1-1/2 |
|
3.1496 |
1.9370 |
1.0945 |
0.748 |
0.067 |
0.252 |
0.129 |
3.409 |
0.315 |
5/16-24UNF |
29500 |
18100 |
0.81 |
| SSER208-25 |
1- 9/16 |
|
| SSER208 |
|
40 |
80 |
49.2 |
27.8 |
19 |
1.7 |
6.4 |
3.28 |
86.6 |
8 |
M8X1 |
| SSER209-26 |
1-5/8 |
|
3.3465 |
1.9370 |
1.0945 |
0.748 |
0.067 |
0.252 |
0.129 |
3.606 |
0.315 |
5/16-24UNF |
31600 |
20600 |
0.90 |
| SSER209-27 |
1-11/16 |
|
| SSER209-28 |
1-3/4 |
|
85 |
49.2 |
27.8 |
19 |
1.7 |
6.4 |
3.28 |
91.6 |
8 |
M8X1 |
| SSER209 |
|
45 |
| SSER210-29 |
1-13/16 |
|
3.5433 |
2.0315 |
1.1260 |
0.748 |
0.097 |
0.295 |
0.129 |
3.799 |
0.394 |
3/8-24UNF |
35000 |
23200 |
0.98 |
| SSER210-30 |
1-7/8 |
|
| SSER210-31 |
1-15/16 |
|
| SSER210-32 |
2 |
|
90 |
51.6 |
28.6 |
19 |
2.46 |
7.5 |
3.28 |
96.5 |
10 |
M10X1 |
| SSER210 |
|
50 |
| SSER211-32 |
2 |
|
3.9370 |
2.1890 |
1.1890 |
0.874 |
0.097 |
0.295 |
0.129 |
4.193 |
0.394 |
7/16-24UNF |
43500 |
29200 |
1.40 |
| SSER211-33 |
2-1/16 |
|
| SSER211-34 |
2-1/8 |
|
| SSER211-35 |
2-3/16 |
|
100 |
55.6 |
30.2 |
22.2 |
2.46 |
7.5 |
3.28 |
106.5 |
10 |
M10X1.25 |
| SSER211 |
|
55 |
| SSER212-36 |
2-1/4 |
|
4.3307 |
2.5630 |
1.2520 |
1.0000 |
0.097 |
0.297 |
0.129 |
4.591 |
0.394 |
7/16-24UNF |
47700 |
32900 |
1.89 |
| SSER212-37 |
2-5/16 |
|
| SSER212-38 |
2-3/8 |
|
| SSER212-39 |
2-7/16 |
|
110 |
65.1 |
31.8 |
25.4 |
2.46 |
7.5 |
3.28 |
116.6 |
10 |
M10X1.25 |
| SSER212 |
|
60 | |
|
|
|
|